356A14 | 산업용 ICP® 3축가속도계 4핀 1/4-28 UNF-2A
플래티넘 스톡 제품; 3축, 세라믹 전단기 ICP® 가속, 10mV/g, 0.5 to 5000 Hz, 티타늄 hsg, 1/4-28 4핀 연결

플래티넘 스톡 제품; 3축, 고감도, 세라믹 전단 ICP® 가속, 100mV/g, 0.5~5000Hz, 티타늄 hsg, 4핀 연결
[3] 자세한 내용은 PCB 적합성 선언 PS023을 참조하십시오.
| English: | SI: | ||
|---|---|---|---|
| Performance | |||
| Sensitivity (±10 %) | 100 mV/g | 10.2 mV/(m/s²) | |
| Measurement Range | ±50 g pk | ±490 m/s² pk | |
| Frequency Range (±5 %) | 0.5 to 5000 Hz | 0.5 to 5000 Hz | |
| Frequency Range (±10 ) | 0.3 to 6000 Hz | 0.3 to 6000 Hz | |
| Resonant Frequency | ≥25 kHz | ≥25 kHz | |
| Broadband Resolution (1) | 0.0001 g rms | 0.001 m/s² rms | [2] |
| Phase Response (±5 °) | 1.0 to 5000 Hz | 1.0 to 5000 Hz | |
| Non-Linearity | ≤1 % | ≤1 % | [1] |
| Transverse Sensitivity | ≤5 % | ≤5 % | |
| Environmental | |||
| Overload Limit (Shock) | ±7000 g pk | ±68600 m/s² pk | |
| Temperature Range (Operating) | -65 to +176 °F | -54 to +80 °C | |
| Temperature Response | See Graph %/°F | See Graph %/°F | |
| Base Strain Sensitivity | 0.001 g/µε | 0.01 (m/s²)/µε | [2] |
| Electrical | |||
| Excitation Voltage | 20 to 30 VDC | 20 to 30 VDC | |
| Constant Current Excitation | 2 to 20 mA | 2 to 20 mA | |
| Output Impedance | ≤200 Ohm | ≤200 Ohm | |
| Output Bias Voltage | 8 to 12 VDC | 8 to 12 VDC | |
| Discharge Time Constant | 1.0 to 3.0 sec | 1.0 to 3.0 sec | |
| Settling Time (within 10% of bias) | <10 sec | <10 sec | |
| Spectral Noise (1 Hz) | 40 µg/√Hz | 392 (µm/sec2)/√Hz | [2] |
| Spectral Noise (10 Hz) | 10 µg/√Hz | 98 (µm/sec2)/√Hz | [2] |
| Spectral Noise (100 Hz) | 3 µg/√Hz | 29.4 (µm/sec2)/√Hz | [2] |
| Spectral Noise (1 kHz) | 1 µg/√Hz | 9.8 (µm/sec2)/√Hz | [2] |
| Spectral Noise (10 kHz) | 0.5 µg/√Hz | 4.9 (µm/sec2)/√Hz | [2] |
| Physical | |||
| Sensing Element | Ceramic | Ceramic | |
| Sensing Geometry | Shear | Shear | |
| Housing Material | Titanium | Titanium | |
| Sealing | Hermetic | Hermetic | |
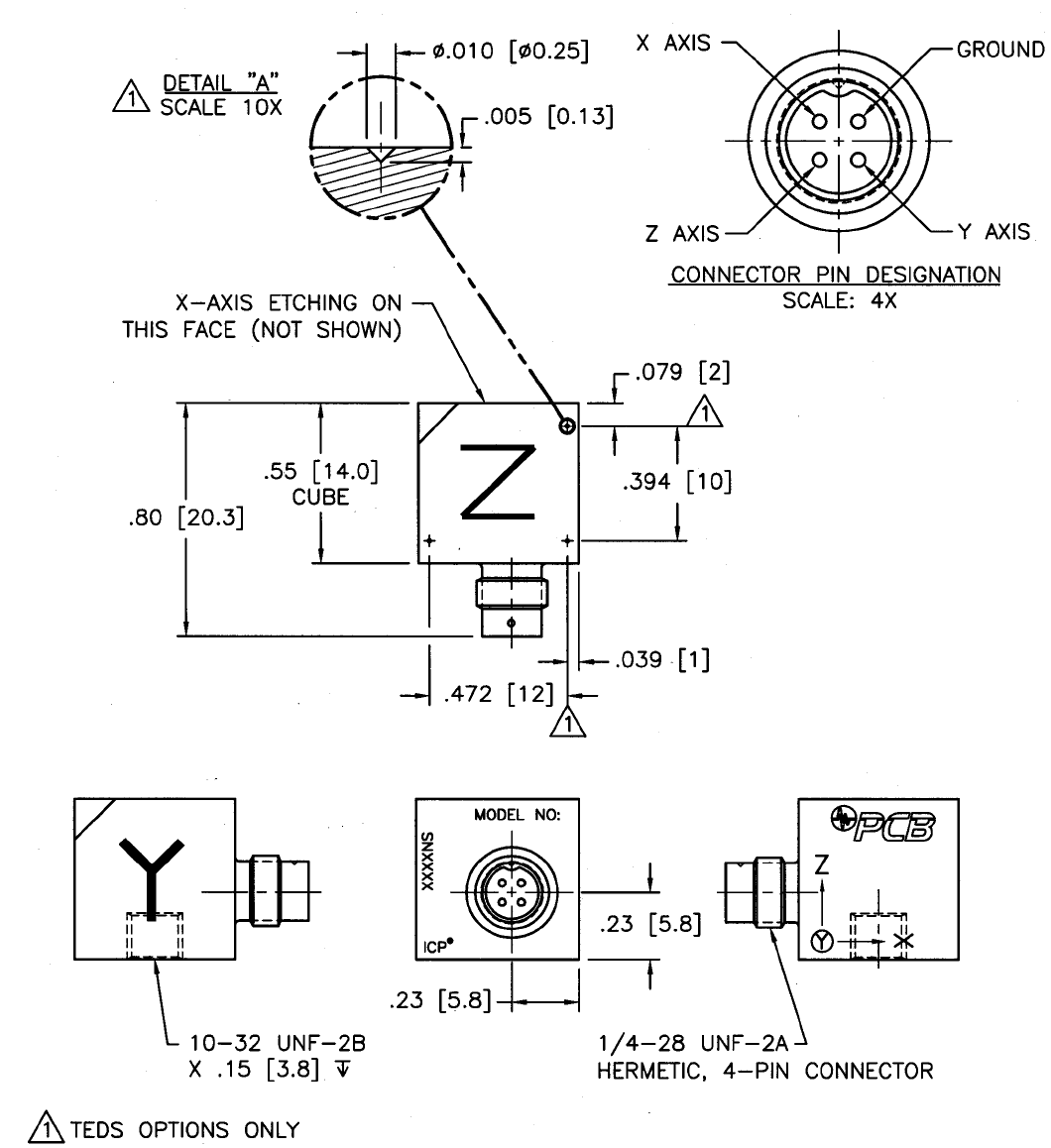
| Size - Height | 0.55 in | 14.0 mm | |
| Size - Length | 0.80 in | 20.3 mm | |
| Size - Width | 0.55 in | 14.0 mm | |
| Weight | 0.37 oz | 10.5 gm | [2] |
| Electrical Connector | 1/4-28 4-Pin | 1/4-28 4-Pin | |
| Electrical Connection Position | Side | Side | |
| Mounting Thread | 10-32 Female | 10-32 Female | |
| Mounting Torque | 10 to 20 in-lb | 113 to 225 N-cm | |
* All specifications are at room temperature unless otherwise specified.

| Supplied | ||
| 080A109 | Petro Wax, one square, 1" x 1" x 0.25" | 1 |
| 080A12 | Adhesive mtg base, 0.75" hex x 0.2" thk, 10-32 tapped hole, aluminum w/insolation hardcoat finish | 1 |
| 080A90 | Quick bond Gel (for use with accel adhesive mtg bases to fill gaps on rough surfaces) | 1 |
| 081B05 | Mounting stud, 10-32 to 10-32, 0.275" long, BeCu w/shoulder | 1 |
| ACS-1T | Triaxial amplitude response calibration, from 10 Hz to upper 5% frequency, NIST traceable | 1 |
| M081B05 | Mounting stud, 10-32 to M6x0.75-6g, 0.275" long, BeCu | 1 |
| Accessories: | |||
|---|---|---|---|
| Supplied | 080A90 | Quick Bonding Gel | 1 |
| Supplied | 080A109 | Petro Wax | 1 |
(T) TEDS Capable of Digital Memory and Communication Compliant with IEEE P1451.4
| English | SI | |
|---|---|---|
| Temperature Range | -65 to +176 °F | -54 to +80 °C |
| Output Bias Voltage | 8.5 to 13.0 VDC | |
(TLA) TEDS LMS International - Free Format
| English | SI | |
|---|---|---|
| Temperature Range | -65 to +176 °F | -54 to +80 °C |
| Output Bias Voltage | 8.5 to 13.0 VDC | |
(TLB) TEDS LMS International - Automotive Format
| English | SI | |
|---|---|---|
| Temperature Range | -65 to +176 °F | -54 to +80 °C |
| Output Bias Voltage | 8.5 to 13.0 VDC | |
(TLC) TEDS LMS International - Aeronautical Format
| English | SI | |
|---|---|---|
| Temperature Range | -65 to +176 °F | -54 to +80 °C |
| Output Bias Voltage | 8.5 to 13.0 VDC | |
(TLD) TEDS Capable of Digital Memory and Communication Compliant with IEEE 1451.4
| English | SI | |
|---|---|---|
| Temperature Range | -65 to +176 | -54 to +80 |
| Output Bias Voltage | 8.5 to 13.0 | |
사용후기가 없습니다.
상품문의가 없습니다.
- AS 및 상품문의 안내는 하단 판매자 정보의 연락처 및 이메일로 문의하시기 바랍니다.
회사명 (주)카스코리아
주소 경기도 성남시 중원구 갈마치로 302 성남우림라이온스밸리 5차 B동 1208호
사업자 등록번호 527-88-01201
대표 이기하
전화 031-750-0780-3
팩스 031-750-0784
통신판매업신고번호 제2019-경기중원-0042호
Copyright © (주)카스코리아. All Rights Reserved.