등록된 상품이 없습니다.
SHOWA SOKKI MRD-H 소형 고온용 로드셀

특징・용도
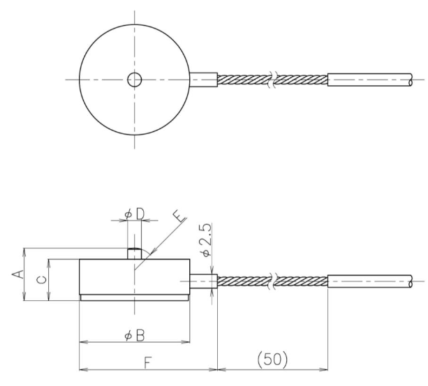
Model and Capacity / Dimension / etc. (unit : mm)
| Model | Capacity | A | B | C | D | E | F | Natural frequency | Weight |
|---|---|---|---|---|---|---|---|---|---|
| MRD-100NH | 100 N | 9.5 | 20 | 7.5 | 2.5 | SR4 | 25 | 21 kHz | 5.2 g |
| MRD-200NH | 200 N | 9.5 | 20 | 7.5 | 2.5 | SR4 | 25 | 28 kHz | 5.2 g |
| MRD-500NH | 500 N | 9.5 | 20 | 7.5 | 2.5 | SR4 | 25 | 41 kHz | 5.2 g |
| MRD-1KNH | 1 kN | 9.5 | 20 | 7.5 | 2.5 | SR4 | 25 | 59 kHz | 5.2 g |
| MRD-2KNH | 2 kN | 9.5 | 20 | 7.5 | 2.5 | SR4 | 25 | 85 kHz | 5.2 g |
| MRD-5KNH | 5 kN | 13.5 | 25 | 11 | 6 | SR15 | 30 | 92 kHz | 12 g |
| MRD-10KNH | 10 kN | 13.5 | 25 | 11 | 6 | SR15 | 30 | 140 kHz | 12 g |
* 사양에 표시된 중량에는 케이블 중량이 포함되어 있지 않습니다.
| Safe Overload | 120 %R.C. |
|---|---|
| Rated Output | 1 mV/V±20 % |
| Nonlinearity | 1 %R.O. |
| Hysteresis | 1 %R.O. |
| Repeatability | 0.5 %RO |
| Excitation Voltage | 4 V (or less) |
| Safe Excitation Voltage | 6 V |
| Input Rsistance | 350 Ω |
| Output Rsistance | 350 Ω |
| Compensated Temp.Range | 20~150 ℃ |
| Safe Temp.Range | 0~160 ℃ |
| Temp.Effect on Zero | 0.2 %R.O./℃ |
| Temp.Effect on Output | 0.1 %/℃ |
| Cable | Φ2.2 mm – 4-conductor shielded cable 3 m, bare end |
사용후기가 없습니다.
상품문의가 없습니다.
- AS 및 상품문의 안내는 하단 판매자 정보의 연락처 및 이메일로 문의하시기 바랍니다.
회사명 (주)카스코리아
주소 경기도 성남시 중원구 갈마치로 302 성남우림라이온스밸리 5차 B동 1208호
사업자 등록번호 527-88-01201
대표 이기하
전화 031-750-0780-3
팩스 031-750-0784
통신판매업신고번호 제2019-경기중원-0042호
Copyright © (주)카스코리아. All Rights Reserved.