4~8개의 로드셀 신호를 CAN 신호로 DATA 전송
ACJ-8 디지털 4~8 채널 로드셀 신호 CAN Open 변환기
4~8개의 로드셀 신호를 CAN 신호로 DATA 전송
내부 OLED Display 내장
정션박스 자체에서 CALIBRATION 가능
ERROR 발생시 알람 출력
방수방진 IP65
POWER : 7~28VDC 또는 5~7VDC(AI-35D 사용시), 1W
Order code
ACJ-8 : 5V는 기본형이라 미기입 (DC5V ~ 7V 500mA adapter 사용 권장)-AI-35D 동시사용
ACJ-8-24V (주문형) : AI-35D 미사용-ACJ 단독 사용시
ACJ-8C : 방수형 CONNECTOR TYPE -AI-35D 동시사용
ACJ-8C-24V (주문형) : ACJ 단독 사용 방수형 CONNECTOR TYPE(AI-35D 미사용-ACJ 단독 사용시)
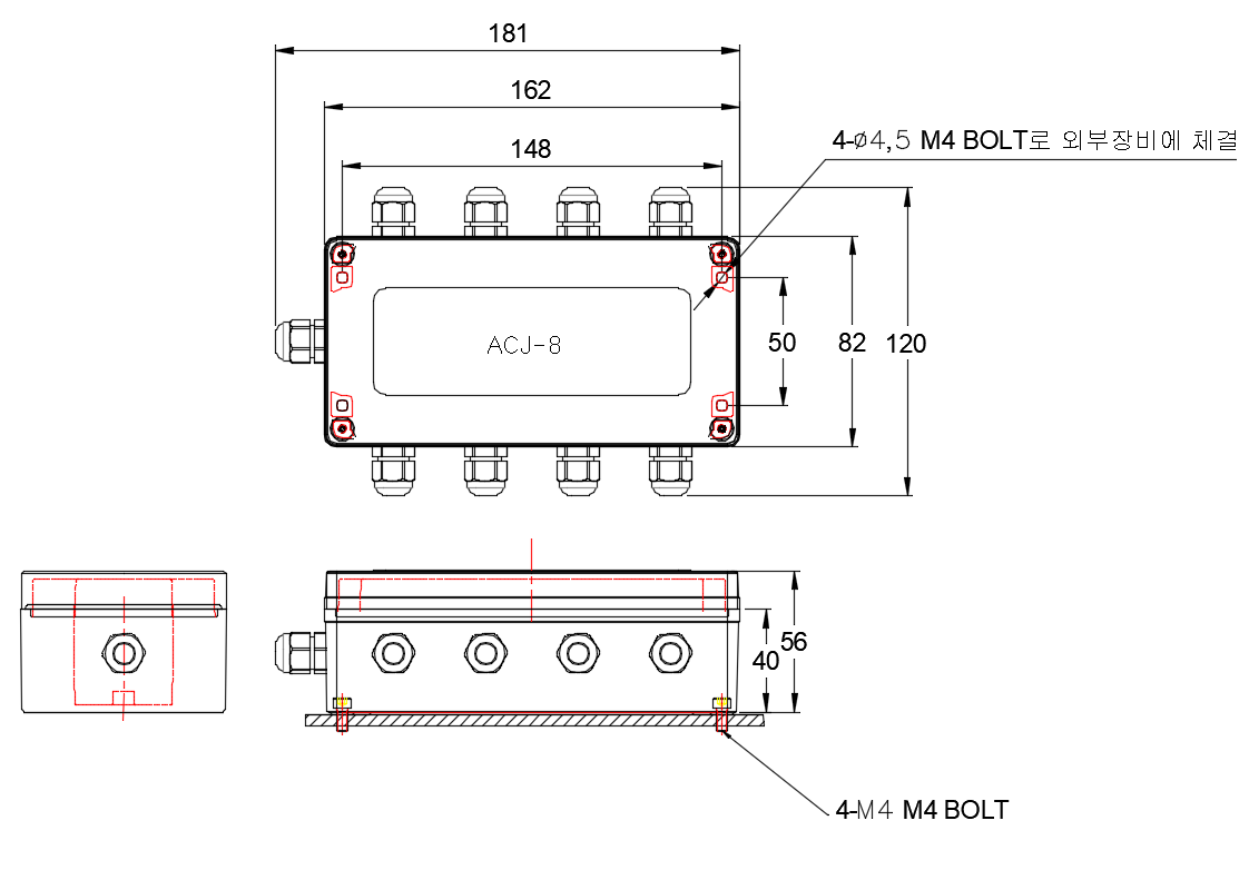
4 ~ 8 채널선택은 사용자가 선택 가능
ACJ 배선시 주의사항
3채널 배선시 : 1,3,5번에 배선
4채널 배선시 : 1,3,5,7번에 배선
5채널 배선시 : 1,2,3,4,5번에 배선
6채널 배선시 : 1,2,3,4,5,6번에 배선
7채널 배선시 : 1,2,3,4,5,6,7번에 배선
8채널 배선시 : 1,2,3,4,5,6,7,8번에 배선

주문형 ACJ-8-C(Connector Type) : 방수커넥터 장착


사용후기가 없습니다.
상품문의가 없습니다.
- AS 및 상품문의 안내는 하단 판매자 정보의 연락처 및 이메일로 문의하시기 바랍니다.
ACJ-8 문의사항 답변
질문
영점 설정 명령에서 CAN ID 가 AXX 로 표시되어 있는데요 standard mode 에서는 0x001-0x7FF 밖에는 입력되지 않아
CAN Extended 모드로 보내야 하는데 나머지 ACJ 장비 -> PC 로 전송되는 1xx~4xx ID 도 Extended 모드인지 질문 드립니다.
답변
네 그렇습니다. AXX로 보내는 경우는 11비트 범위를 벗어나므로 Extended 모드로 전송하면 되며,
ACJ장비 -> PC로 전송하는 1XXh ~ 4XXh 는 0x001~0x7FF 범위에 속하고, standard Mode로 8바이트의 데이터를 전송합니다
회사명 (주)카스코리아
주소 경기도 성남시 중원구 갈마치로 302 성남우림라이온스밸리 5차 B동 1208호
사업자 등록번호 527-88-01201
대표 이기하
전화 031-750-0780-3
팩스 031-750-0784
통신판매업신고번호 제2019-경기중원-0042호
Copyright © (주)카스코리아. All Rights Reserved.